Home | Contact Us | E-mail
Home About Us Marketing Network Products Site Map Contact Us Quick View by Product Name
 
Products Class
Slings
Cargo Control
Wire Rope
Chain
Riggings
G100 & G80 Riggings
Pulley & Blocks
Anchor Chain and
accessories
Anchor
Boat Fittings
Fiber Rope & Sial Rope
Contact Info
 

Company:
Eastern Sun Co., Ltd.
Tel: 0086-532-87634198
Fax: 0086-532-87634958
Email:
sales@chinaescl.com

easternsunco@hotmail.com
Web: www.chinaescl.com www.easternsunco.com

 
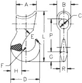
Hooks  Your current position: Home > Products >Riggings>Hooks

Sliding Choker Hook

 
 
Single
Part
Rope
Size(in.)

Eight
Part
Rope
Size(in)

Working
Load
Limit
(lbs)
Weight
Each
(lbs)
Dimensions (in)
A
B
C
D
E
L
3/8
-
2500
0.77
2.06
1.13
0.63
2.41
0.63
4.28
1/2
1/8
3300
1.19
2.25
1.31
0.75
2.97
0.78
4.97
5/8
3/16
5000
2.89
3.06
1.63
0.75
3.56
0.94
6.38
5/8
3/16
5000
2.70
3.06
1.63
1.00
3.56
0.94
6.38
3/4
1/4
8000
2.95
3.38
2.13
1.00
4.25
1.16
7.66
3/4
1/4
8000
5.00
3.38
2.13
1.44
4.25
1.16
7.66
 
 
About Us | Marketing Network | Products | Site Map | Contact Us
Copyright ©2005-2023 Eastern Sun Co.,Ltd. All Rights reserved
ICP: 09102747